簡述不同類型交流發電機工作原理,通俗易懂!
交流發電機一般由轉子總成、定子總成、整流器總成、端蓋、皮帶輪、風扇等組成。今天小編就來講講交流發電機工作原理是什么,將會結合圖文讓你更加明白。
1.交流電動勢的產生
交流發電機定子的三相繞組按一定的規律嵌套在發電機的定子槽內,彼此互差120°電角度。當轉子磁場繞組接通直流電源時,轉子的爪極被磁化為N極和S極。其磁力線由N極出發,穿過轉子與定子之間很小的氣隙進入定子鐵心,最后又通過氣隙回到S極

a)三相橋式整流電路;b)三相交流電動勢;c)整流后交流發電機輸出波形
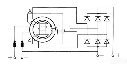
2.整流電路工作原理
將交流發電機產生的交流電轉變成直流電稱為整流。常見的整流電路有六管交流發電機的整流電路和九管交流發電機的整流電路。
1)六管交流發電機的整流電路
六管交流發電機的整流裝置實際是一個由6個硅整流二極管組成的三相橋式整流電路,見圖)。3個二極管VD2、VD4、VD6的負極分別與發電機三相繞組的始端相連,它們的正極連接在一起,組成共陽極組接法,3個二極管的導通原則是在某一瞬間負極電位最低的二極管導通。3個二極管VD1、VD3、VD5的正極分別與發電機三相繞組的始端相連,它們的負極連接在一起,組成共陰極組接法,3個二極管的導通原則是在某一瞬間正極電位最高的二極管優先導通。每個時刻有2個二極管同時導通,其中一個二極管在共陰極組,另一個在共陽極組,同時導通的兩個管子總是將發電機的電壓加在負荷兩端,如圖)所示。

當t=0時,C相電位最高,而B相電位最低,所對應的二極管VD5、VD4均處于正向導通。由于二極管的內阻很小,所以此時發電機的輸出電壓等于B、C繞組之間的線電壓。
在t1-t2時間內,A相的電位最高,而B相電位最低,故對應VD1、VD4處于正向導通。同理,交流發動機的輸出電壓可視為A、B繞組之間的線電壓。
在t2-t3時間內,A相電位最高,而C相電位最低,故VD1、VD6處于正向導通。同理,交流發動機的輸出電壓可視為A、C繞組之間的線電壓。
類推,周而復始,在負載上便可獲得一個比較平穩的直流脈動電壓。
2)九管交流發電機的整流原理
九管交流發電機的特點是除了常用的6個整流二極管外,又增加了3個功率較小的二極管。3個功率較小的二極管用來供給交流發電機磁場電流,故又稱之為磁場二極管。采用磁場二極管后,輸出端連接充電指示燈,即可指示發電機工作情況的好壞。九管交流發電機充電系統的電路如圖3所示。

3.交流發電機勵磁方式
汽車用交流發電機的勵磁方法是由他勵方式到自勵發電的一個過程。由于汽車用交流發電機轉子的剩磁較弱,不能利用磁極的剩磁自勵發電,所以需要外接直流電源。交流發電機只有在較高轉速時,才能自勵發電。交流發電機在低速運轉時,采用他勵方式。
以上關于不同類型交流發電機工作原理的內容由專業柴油發電機供應廠家—廣西頂博電力(www.yokohama-ichiba.com)為您分享,希望對大家有所幫助。頂博電力是一家專業從事柴油發電機組研發與生產、銷售以及維修一條龍服務的綜合性公司,公司生產的柴油發電機組選用的柴油機、發電機均以國內外知名品牌生產廠家生產的產品配套為主。主要有玉柴、上柴、濟柴、通柴、康明斯(Cummins)、沃爾沃(VOLVO)、道依茨(DEUTZ)、帕金斯等配,其功率范圍30-30000kw不等。歡迎來廠參觀考察洽談合作13667715899。
推薦文章
- 告別“拖拉機”式噪音!2026開春,這些“黑科技”發機組值得看 2026-02-26
- 醫院/數據中心都在用!不斷電、0噪音,關鍵時刻能救命的電站 2026-02-26
- 靜音、集裝箱式還是開架式?2026開春最實用的發電機組選購攻略 2026-02-25
- 開門紅!2026年伊始,作為備用電源設備,哪些柴油發電機組最值得購買? 2026-02-24
- 扛造、省油、進度穩!這才是工地復工該選的柴油發電機組 2026-02-12
- 選擇康明斯柴油發電機組,就是選擇“扛造、省油、穩進度”的三重保障 2026-02-12
- 穩定性大考:2026選購工業用柴油發電機組應看重哪些核心部件? 2026-02-11
- 工業備用電源選對了嗎——60秒看懂!2026工業柴油發電機組選購方法 2026-02-11
- 開年就想電力穩定可靠?選這臺康明斯柴油發電機組,讓你升級電力供應 2026-02-06
- 2026想電力穩定?選康明斯發電機組,讓你用電無后顧之憂! 2026-02-06






桂公網安備45010702002247