0771-5791162
首頁
公司簡介
明星產品
靜音發電機組
濰柴發電機組
珀金斯發電機組
沃爾沃發電機組
康明斯柴油發電機組
上柴發電機組
玉柴發電機組
產品展示
新聞中心
視頻展示
企業動態
中標通知書
技術支持
工程案例
案例中心
企業資質
服務跟蹤
聯系我們
網站首頁
公司簡介
明星產品
靜音發電機組
濰柴發電機組
珀金斯發電機組
沃爾沃發電機組
康明斯柴油發電機組
上柴發電機組
玉柴發電機組
產品展示
新聞中心
企業動態
中標通知書
技術支持
工程案例
案例中心
企業資質
服務跟蹤
聯系我們
Open Nav
添加微信好友了解產品
w13667715899
+ 關注
走進頂博
明星產品
產品展示
新聞中心
技術支持
工程案例
榮譽資質
服務跟蹤
靜音發電機組
濰柴發電機組
珀金斯發電機組
沃爾沃發電機組
康明斯柴油發電機組
上柴發電機組
玉柴發電機組
當前位置:
首頁
>
技術支持
簡單介紹柴油發電機組柴油機燃料系統
柴油機燃料系統的功能是向汽缸供給清潔的空氣和按柴油機各種情況的要求定時定量地向燃燒室噴人燃油,并將燃燒的廢氣排到大氣中去柴油機燃料系統由燃油供給系統,混合氣形成系統、空氣供給裝置和廢氣排出裝置等部分組成燃油供給和調速系統由輸油泵、燃抽濾清器,噴油泵、調速器、噴油器及燃油管路等零部件組成。
查看更多
2018-05-31
評定柴油發電機組使用的柴油好壞四大特性
柴油機所用的主要燃料一柴油,有以下特點:自燃點低,黏度大,密度大、閃點高、性能穩定,在運輸和儲存過程中易揮發和變質。使用安全,成本低。包括發動機燃料在內的許多產品都可以從原油中提煉出來。通常是通過蒸餾使原油中的所有碳氯化合物汽化提取柴油等燃料。
查看更多
2018-05-31
柴油發電機組冷卻系統防凍液3大故障及維修方法
防凍液是發電機組維護保養所需的配件中的重要一種。當環境溫度低于零度時,冷卻系統中的水就會轉變為冰,冷卻系統的部件就會有被膨脹裂損的危險,我們需要對柴油機冷卻系統的故障問題進行發析
查看更多
2018-05-30
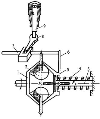
柴油發電機組單程式調速器工作原理及其構造
機械式調速器?工作原理,分為單程式調速器工作原理,兩極式調速器工作原理,全程式調速器工作原理三部分。
查看更多
2018-05-29
柴油發電機組調速器的作用及分為7大類
調速器種類根據機頭不同可分為機械師、液壓式、啟動式和電子式4種。根據調整的轉速范圍可分為單程式、兩極式、全程式3種。頂博電力給大家介紹這幾種調整器。
查看更多
2018-05-29
300KW柴油發電機組不能停機是怎么回事?
我們知道柴油發電機有無法啟動的故障現象。對應的柴油發電機組也有無法停機的狀況。購買的柴油發電機組在使用過程中出現無法自動停機的情況,
查看更多
2018-05-28
怎樣識別柴油發電機是否為翻新二手的?
由于柴油發電機的廣泛應用,越來越多企業單位把柴油發電機組用于臨時應急電源,先給大家分享下在購買大功率柴油發電機的時候,怎樣識別柴油發電機新機和二手翻新區別。
查看更多
2018-05-28
柴油發電機組冷卻液系統為什么需要防凍液?
查看更多
2018-05-26
柴油發電機組閉式循環水冷卻系統
閉式循環水冷卻系統由水泵、散熱水箱、節溫器、風扇等組成。 閉式循環水冷卻系統中水的循環是在水泵強制下進行的,水套進、出口的溫差較小(可以不超過10C)
查看更多
2018-05-26
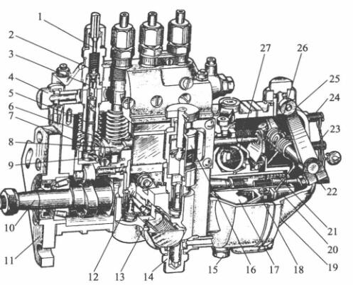
柴油發電機組I號噴油泵由分泵、油量控制機構、傳動機構和泵體四部分組成
今天廣西頂博電力為大家分享一下國產柴油發電機組核心部件噴油泵-國產I號噴油泵。如圖所示,為四缸柴油機I號噴油泵的總體構造圖。由分泵、油量控制機構、傳動機構和泵體四部分組成。
查看更多
2018-05-25
國產柴油發電機組B型噴油泵的構造及特點
我國常用的柴油機噴油泵?為:A型泵、B型泵、P型泵、VE型泵等。前三種屬柱塞泵;VE泵系分配式轉子泵
查看更多
2018-05-25
國產系列柱塞式噴油泵有哪些系列及其主要性能?
我國中、小功率柴油機采用的柱塞式噴油泵已初步形成了系列。由于柴油機的單缸功率變化范圍很大,從幾千瓦到幾十千瓦不等,若按照不同功率設計不同的噴油泵,就會使噴油泵的尺寸規格和種類太多,制造和使用維修都十分困難
查看更多
2018-05-24
4362 條記錄 356/364 頁
上一頁
下一頁
第一頁
上5頁
356
357
358
359
360
下5頁
最后一頁
1
2
3
4
5
6
7
8
9
10
11
12
13
14
15
16
17
18
19
20
21
22
23
24
25
26
27
28
29
30
31
32
33
34
35
36
37
38
39
40
41
42
43
44
45
46
47
48
49
50
51
52
53
54
55
56
57
58
59
60
61
62
63
64
65
66
67
68
69
70
71
72
73
74
75
76
77
78
79
80
81
82
83
84
85
86
87
88
89
90
91
92
93
94
95
96
97
98
99
100
101
102
103
104
105
106
107
108
109
110
111
112
113
114
115
116
117
118
119
120
121
122
123
124
125
126
127
128
129
130
131
132
133
134
135
136
137
138
139
140
141
142
143
144
145
146
147
148
149
150
151
152
153
154
155
156
157
158
159
160
161
162
163
164
165
166
167
168
169
170
171
172
173
174
175
176
177
178
179
180
181
182
183
184
185
186
187
188
189
190
191
192
193
194
195
196
197
198
199
200
201
202
203
204
205
206
207
208
209
210
211
212
213
214
215
216
217
218
219
220
221
222
223
224
225
226
227
228
229
230
231
232
233
234
235
236
237
238
239
240
241
242
243
244
245
246
247
248
249
250
251
252
253
254
255
256
257
258
259
260
261
262
263
264
265
266
267
268
269
270
271
272
273
274
275
276
277
278
279
280
281
282
283
284
285
286
287
288
289
290
291
292
293
294
295
296
297
298
299
300
301
302
303
304
305
306
307
308
309
310
311
312
313
314
315
316
317
318
319
320
321
322
323
324
325
326
327
328
329
330
331
332
333
334
335
336
337
338
339
340
341
342
343
344
345
346
347
348
349
350
351
352
353
354
355
356
357
358
359
360
361
362
363
364
熱門產品
康明斯柴油發電機組
上柴柴油發電機組
玉柴柴油發電機組
移動拖車發電機組
靜音發電機組
無錫斯坦福發電機型號
上海斯坦福發電機型號
推薦文章
茄子视频懂你更多