1800KW柴油發電機組輸出柜配置清單及線路圖
啟動柜是指電動機的起動,柴油發電機組這個發電設備對普通中國人來說不陌生了,但是相信了解的人也不多,都知道柴油發電機是用來發電的。其實,在一個城市里有許多發電機就在我們的身邊,例如我們住宅里的電梯吧,如安防系統, 電梯,信息儲備,消防安全等,這些都是與大家的生活息息相關的!今天柴油發電機廠家頂博電力給大家介紹柴油發是機組啟動柜材料及其圖紙。
1800KW柴油發電機組配電柜材料報價明細清單 | |||||
主開關柜 | |||||
序號 | 名稱 | 型號規格 | 單位 | 數量 | 廠家 |
1 | 柜體 | GGD 1000*800*2200(寬*深*高) | 臺 | 1 | 定制 |
2 | 萬能式框架斷路器 | MVS 32H 3F202+相間隔板+瞬動失壓線圈 MN-AC200-250V | 臺 | 1 | 施奈德 |
3 | 電流互感器 | BH-0.66Ⅱ 3000/5 Φ120 0.5級 1匝 | 只 | 3 | 正泰 |
4 | 發電機組控制器 | HGM6110N | 只 | 1 | 眾智 |
5 | 直流電源模塊 | BAC06A AC220V/DC24V | 只 | 1 | 眾智 |
6 | 小型中間繼電器 | NXJ24V-4Z1 D | 只 | 4 | 正泰 |
7 | 小型中間繼電器 | NXJ-A220V-4Z1 D | 只 | 1 | 正泰 |
8 | 電流表 | 42L6-A,3000/5 | 只 | 3 | 正泰 |
9 | 功率表 | 42L6-KW 3000/5A 380V | 只 | 1 | 正泰 |
10 | 功率因數表 | 42L6-COSφ 380V 5A三相 | 只 | 1 | 正泰 |
11 | 頻率表 | 42L6-HZ 45-55HZ/380V | 只 | 1 | 正泰 |
12 | 電壓表 | 42L2-V 0~450V | 只 | 1 | 正泰 |
13 | 電壓換相開關 | LW5-16YH2/2 | 只 | 1 | 正泰 |
14 | 熔斷器 | RT14-20/ 6A | 套 | 5 | 正泰 |
15 | 信號燈 | AD56-22DS/Y,G,R,~220V,黃1,紅1,綠1 | 只 | 3 | 國優 |
16 | 按鈕 | LAY50-22D-11,1開1閉,紅,綠各1 | 只 | 2 | 國優 |
17 | 急停接鈕 | 紅色 | 只 | 1 | 國優 |
18 | 旋鈕 | 黑色 三擋 | 只 | 1 | 國優 |
19 | 主銅排 | TMY-120*10 | 米 | 18 | 國優 |
20 | 主銅排 | TMY-100*10 | 米 | 10 | 國優 |
21 | 零排 | TMY-120*10 | 米 | 0.8 | 國優 |
22 | 接地銅排 | TMY-100*10 | 米 | 0.8 | 國優 |
23 | 絕緣子 | 圓形,紅色,>M10 | 只 | 36 | 海坦 |
24 | 配電柜安裝人工 | 臺 | 1 | ||
25 | 輔材 | 臺 | 1 | ||
26 | 運費 | 臺 | 1 | ||
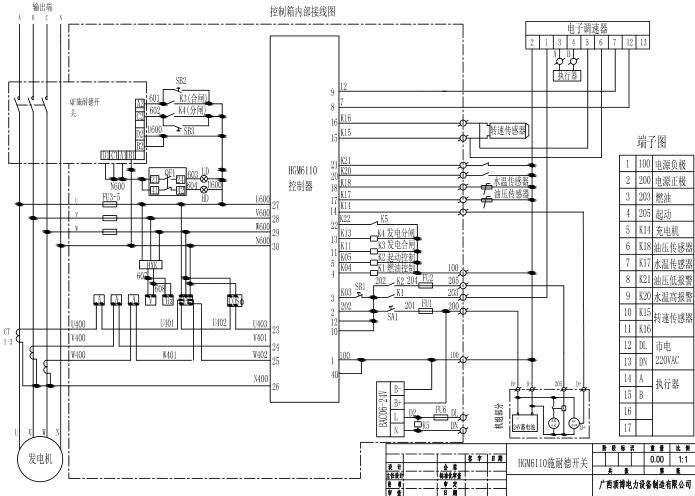
1800KW柴油發電機組啟動柜配置圖紙
以上信息來由廣西發電機組廠家頂博電力(http://www.yokohama-ichiba.com)收集整理, 我公司主營產品有康明斯發電機組、玉柴發電機組、沃爾沃發電機組、帕金斯發電機組、上柴發電機組等,可根據客戶需要提供自啟動、并機及微機監控等配套設備,靜音及移動拖車,我公司的柴油發電機組出口東南亞、非洲、中東等地。熱線:13667715899
報價:13667715899
推薦文章
- 年后開工早規劃:農歷年前采購柴油發電機組,為開春生產備好“電力心臟” 2026-01-29
- 致制造業老板:關于節后“開門紅”,一個比招工更重要的準備 2026-01-29
- 重磅簽約!廣西頂博成功拿下成都15萬噸高端化工項目電力保障 2026-01-23
- 重磅!浙江化工龍頭正式與廣西頂博簽約采購800kW玉柴動力機組! 2026-01-22
- 護航重大工程!廣西頂博與新疆某建工簽訂發電機組戰略采購協議 2026-01-16
- 廣西頂博回訪南方電網多所供電所:10KW發電機表現卓越獲高度贊譽 2026-01-14
- 養殖戶的定心丸:頂博智能康明斯柴油發電機組讓養殖場永不斷電 2026-01-13
- 0秒切換!市電一斷立馬頂上,這才是養殖場該有的備用電源! 2026-01-13
- 一臺設備頂三臺用!頂博自卸式排水方艙用科技破解積水困局,成建筑行業黑科技 2026-01-12
- 手機一鍵遠程啟停、一鍵遠程監控,智能化讓發電機組操作簡單到極致 2026-01-09






桂公網安備45010702002247